Модель 2-48
Поверхневий датчик температури, виконаний з кабелю КТМС і клемної головкої з навісним кріпленням. Завдяки використанню кабелю КТМС можливе замовлення робочої довжини практично без обмежень, а сам КТМС можна довільно згинати в будь-яку форму. Виконання "вибухонепроникна оболонка" Exd або "іскробезпечний ланцюг" Exia. Застосовується для вимірювання температури у вибухонебезпечних середовищах. Кріпиться на об'єкті гвинтом М6. В клемну головку може вбудовуватися перетворювач сигналу в 4-20 мА або 4-20 мА з протоколом HART.
Технічні характеристики
| Тип моделі | Поверхневий |
| Види вибухозахисту | Іскробезпечний електричний ланцюг "i" Вибухонепроникна оболонка "d" |
| Маркування вибухозахисту | II 1G Ex ia IIC T6...T1 Ga (повністю в зонах 0 (20), 1 (21), 2 (22)) II 2G Ex db IIC T6...T1 Gb (повністю в зонах 1 (21), 2 (22)) |
| Тип і НСХ | ТСП (50П, 100П, Pt100, Pt1000) |
| Кількість ЧЕ | 1 або 2 |
| Клас допуску | А, В |
| Схема з'єднання ЧЕ для ТС | 2-,3-х дротова |
| Тип головки | АIХ |
| Різьба під кабельне введення в головку | М20х1,5 |
| Матеріал захисної арматури | Стандартно - н/ж сталь 12Х18Н10Т (AISI 321), під замовлення - н/ж сталь 10HХ17Н13M2T (AISI 316 Тi) |
| Діапазон температури, °С | -50...250 |
| Сертифікат по техрегламенту | Пост. КМУ №1055 від 28.12.16 |
Перелік стандартних довжин і діаметрів
| Довжина монтажної частини, L, мм | 100, 120, 160, 200, 250, 320, 400, 500, 630, 800, 1000, 1500, 2000 і більше до 20000 |
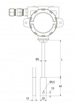
| Діаметр монтажної частини, мм | Ø6 |

Монтажна частина моделі 2-48 може бути зігнута в будь-якому напрямку.
Кабельні введення для Exd головок TX і AIX
| Позначення | Тип кабелю | Зовнішній діаметр кабелю, мм | Умовний діаметр металорукава, мм | Робочий діапазон, °С | Зображення |
| Н8 | Неармований | 3,2...8,7 | Відсутній | -40...100 | ![]() |
| Н14 | Неармований | 6,5...14,0 | Відсутній | -40...100 | |
| А12 | Армований | 6,1 ... 11,5 | Відсутній | -40...100 | ![]() |
| А20 | Армований | 12,5...20,9 | Відсутній | -40...100 | |
| НМ8 | Металорукав | 3,2...8,1 | 10, 12 | -40...100 | ![]() |
| НМ14 | Металорукав | 6,5...14,0 | 18, 20, 22 | -40...100 |


